

시계가 잘 작동하는지 확인하기 위해 빨리 카운트 되게끔 세팅해놓고 찍었다.
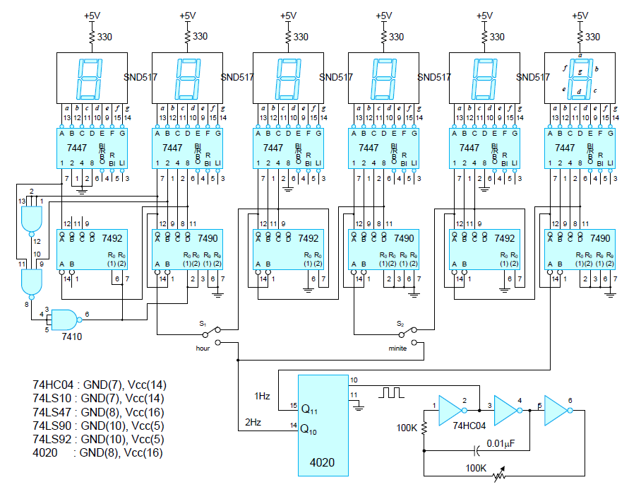
디지털 시계의 전체 회로도

구성
발진회로 → 분주회로 → 카운터회로 → 디코더회로 → 표시회로
1. 발진회로
7404 칩과 0.01μF 커패시터, 100K옴 가변저항 하나씩을 사용하였다.
가변저항(Potentiometer)은 3개의 핀이 있는데 양쪽 핀을 쓰면 최대 저항을 고정적으로 쓸 수 있고 가운데 핀과 어느 한 쪽 핀을 쓰면 드라이버나 손으로 돌려서 저항값을 조절할 수있다.
일반저항과 같이 극성이 없고 멀티미터로 와이퍼를 조절한 현재상태의 저항 수치를 측정할 수 있다.
가변저항의 원리

2. 분주회로
4020 칩을 사용하였다.

4020의 핀 배치도
4020칩은 14 bit binary ripple(비동기식) 카운터인데 Frequnecy divider, time delay 의 용도로 사용된다.
10에 클락 펄스를 입력하고 reset기능인 11핀은 GND에 연결한다. 그리고 어느핀의 출력을 쓰느냐에 따라 입력된 주파수를 2의 n승으로 나눌 수 있다. Q1이 제일 빠르고 Q14가 제일 느리다. 시계를 구현하기 위해 1Hz를 얻어내야 하는데 Q11핀을 사용하고 가변저항을 같이 써서 맞춰주었다.
3. 카운터 회로
10진 카운터 7490, 6진 카운터 7492를 사용한다.
위에서 얻어진 1Hz 구형파를 초 일의자리의 클락펄스로 주고 출력을 다시 다음 자리의 입력으로 사용하는 식으로 구성한다. 그리고 분 시의 일의자리에는 각각 토글스위치를 달아줬는데 위 전체 회로도에서 스위치를 내리면 2Hz가 클락펄스로 들어와서 카운트 속도가 더 빨라진다. 또한 시 부분은 11을 넘지 않도록 7410의 NAND게이트를 달았다.
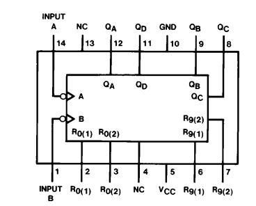
10진 카운터 7490

7490의 핀 배치도



7490의 진리표
6진 카운터 7492

7492의 핀 배치도


7492의 진리표
NAND 게이트 7410

7410의 핀 배치도


시/분 속도 조정을 위한 토글 스위치