반응형
아날로그 멀티플렉서(Multiplexer) 및 디멀티플렉서(Demultiplexer)는 다수의 아날로그 입력 신호 중에서 하나를 선택하거나 분배하기 위해 사용되는 IC칩이다.
디지털 멀티플렉서랑 똑같다, 다수의 입력 신호 중에서 하나의 출력 신호를 선택하는 역할을 한다. 다만 신호가 아날로그인 것이다.
입력 신호는 멀티플렉서의 선택 입력에 의해 선택되는데, 선택 입력(Sx Pin)은 이진 형태로 구성된다. 2의 n승 개의 입력이 있는 멀티플렉서는 n개의 선택 입력이 필요하다. 선택 입력을 이용해 하나의 입력을 선택하고 출력으로 전달하므로 멀티플렉서는 다수의 입력 신호를 단일 출력 신호로 변환하는 기능을 수행한다.
반면 디멀티플렉서는 반대로 하나의 입력 신호를 선택 입력을 통해 다수의 출력 신호 중 하나로 분배하는 기능을 수행한다. 입출력의 기준으로 보면 정 반대 기능을 하지만 진리표는 똑같다.
아날로그 멀티플렉서는 리소스를 공유하면서 다수의 센서 신호를 처리하고 싶을 때 사용되고 디멀티플렉서는 또한 다수의 데이터 소스를 처리하고 단일 출력으로 전환하는 시스템에서 사용한다.
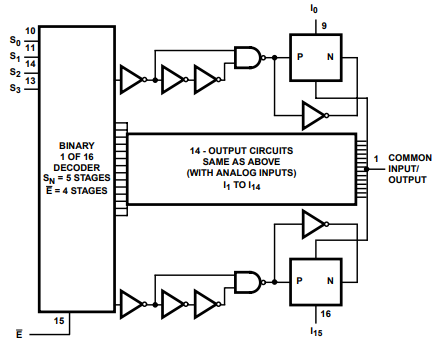
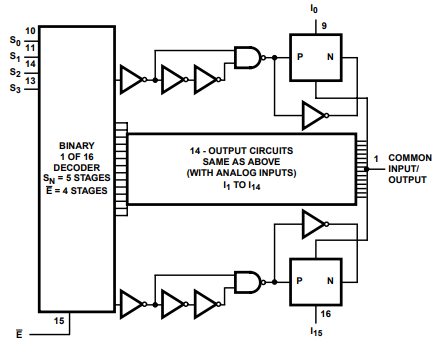
예시로 CD74HC4067 칩을 통해 보는 핀 구성
- SIG : 신호 입력 및 출력 핀 (칩기준 먹스일땐 출력, 디먹스일땐 입력)
- EN/ : 입력 채널 선택 핀
- S0, S1, S2, S3 : 입력 채널 선택 비트

펑션 다이어그램

진리표

반응형
'임베디드 개발 > 펌웨어' 카테고리의 다른 글
| SoC와 MCU의 차이 (0) | 2023.04.09 |
|---|---|
| SBC(Single-Board Computer) (0) | 2023.04.09 |
| CAN FD, TDC (Transmitter Delay Compensation) (0) | 2023.03.31 |
| 소수점이하 값 정수형으로 얻는법 (0) | 2023.03.31 |
| NTP 서버에서 시간 받아오기 (0) | 2023.03.31 |