

HSE에는 ON/OFF 그리고 BYPASS가 있는데 BYPASS란 무엇일까
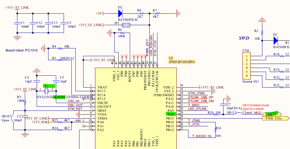
아래 회로도를 보면 MCU에 OSC_IN, OSC_OUT 두 핀이 있고 거기에 External cyristal oscillator가 연결되면 사용할 수 있는데 현재 연결이 안된 것을 알 수 있다. [N/A]


그리고 reference manual에 HSE clock 파트를 보면 HSE를 사용하기 위한 두가지 옵션이 있다고 나와있다. 첫 번째는 위 회로도대로 OSC_IN과 OSC_OUT핀에 crystal oscillator를 연결하는 것이고 두 번째는 External Source를 사용하는 것이다.
External Source는 다른 MCU가 될 수도 있고 다른 timer 나 RTC가 될수도 있다. 연결방법은 해당 소스를 OSC_IN핀에 연결하고 OSC_OUT핀을 High Impedance 상태로 두는 것이다.

즉,
HSE BYPASS는 OSC_IN, OSC_OUT 핀 사이에 crystal oscillator가 안붙어있고, 다른 source를 통해 HSE siganal을 공급하는 것을 말한다.
그리고 다시 회로도를 살펴보면 OSC_IN핀에 MCO가 표시된 것을 알수있는데 MCO는 다른 Micro-Controller에서 오는 clock output을 뜻하며 여기서 다른 MCU는 ST-Link에 붙어있는 U2를 의미한다.
ST-Link에 붙어있는 STM32F103CBT6는 debug와 코드를 flash에 굽기위한 역할을하지만 또한 PA8→MCO→OSC_IN핀을 통해 HSE의 source로 8MHz를 사용할 수 있다.



단순히 CUBEMX에서 아래와 같이 설정하는 것으로 사용가능하다.

핀도 자동으로 잡힌다.


Reference : FastBit Embedded Brain Academy
'임베디드 개발 > STM32 (ARM Cortex-M)' 카테고리의 다른 글
| STM32 ] 메모리 구조 (0) | 2023.02.06 |
|---|---|
| STM32CubeIDE 프로젝트의 debug 와 release 빌드 차이점 (0) | 2023.02.06 |
| STM32 ] Clock 설정, HSI, HSE, PLL, LSI, LSE (0) | 2023.02.05 |
| STM32 ] CAN Interrupt (3) | 2023.01.31 |
| STM32 ] CAN 송수신 + Acceptance Filter (0) | 2023.01.29 |